Statt den Schall über eine herkömmliche Membran abzustrahlen, regt der EX 60 S die angeschlossene Fläche direkt zu Schwingungen an und erzeugt so einen gleichmäßigen Klang.
Mit seinem robusten Aufbau und seiner einfachen Montage eignet sich der EX 60 S ideal für Anwendungen, bei denen Lautsprecher unauffällig integriert oder vor Vandalismus geschützt werden müssen. Er ermöglicht innovative Audiolösungen, bei denen sich Klang und Design perfekt kombinieren lassen.
Ob in Innenräumen oder im geschützten Außenbereich – der Visaton EX 60 S eröffnet vielfältige Möglichkeiten für moderne Beschallungslösungen.
Typische Anwendungen
- Akustische Integration in Möbel, Wände oder Decken
- Öffentliche Orte mit vandalismussicherem Design
- Innovative Sound-Designs an außergewöhnlichen Materialien
Spezifikationen
- Impedanz: 8 Ω (auch 4 Ω-Version verfügbar)
- Musik‑ Leistungsaufnahme: 25 W RMS (max. 25 W)
- Spracheinheit: Ø 32,5 mm
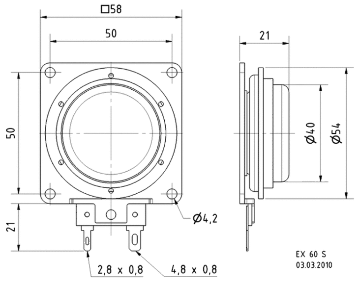
- Abmessungen (inkl. Gehäuse): ca. 58×58×21 mm
- Gewicht: ca. 0,12 – 0,13 kg
- Anschluss: Schnellverbinder 4,8×0,8 mm (+), 2,8×0,8 mm (−)
- Betriebstemperatur: –25 °C … +70 °C


